Dave's Nova Site

Nova References & Info

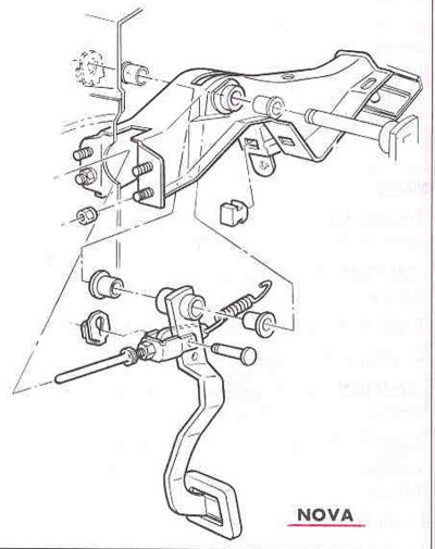
Emergency Brake Setup

Previous Page